Il n'est jamais trop tard!
Par Daniel Maignan
En consultant une revue « Toute la Radio» des années 40, j’ai relevé une question du fameux professeur Balzimbus concernant un montage amplificateur push-pull autodéphaseur pour laquelle il demandait aux lecteurs d’adresser leurs réponses à «Toute la Radio, Service Balzimbus » avant le 20 du mois.
Certains lecteurs à l’époque ont dû répondre, mais malheureusement je n’ai pas retrouvé la clé de l’énigme, cette question restait entière !
De quoi s’agissait-il ?
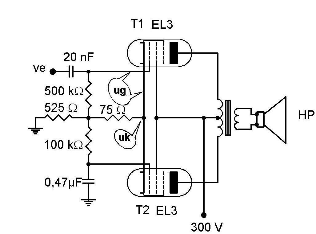
La figure 1 représente le schéma de l’ampli en question. Il s’agit d’un push-pull avec deux tubes EL3. L’entrée BF a lieu sur la grille de commande du premier alors que la grille de commande du second est mise à la masse en alternatif.
Le courant cathodique de 80 mA qui traverse la résistance de 75 Ω en y développant une tension de 6 V assure un fonctionnement en classe AB.
La deuxième résistance de 525 Ω équilibre les deux tubes, mais ne participe pas à la polarisation. En effet les résistances de grille se referment sur la 75 Ω. Le potentiel total de cathode est de 48 V et le montage est alimenté sous 300 V.

Figure 1
Et la question était la suivante:
Oui ou non, ce montage fonctionne-t-il correctement ? Et pourquoi ?
Réponse :
Eh bien oui ça fonctionne !
Et nous allons aujourd’hui en apporter la preuve. Cela nous donne l’occasion de revoir une partie de la théorie relative au fonctionnement des tubes, mais nos lecteurs qui sont fâchés avec les formules peuvent passer directement à l’application pratique.
En examinant le schéma en détail, on s’aperçoit que T1 fonctionne en cathode commune (KC) et T2 en grille commune (GC, entrée sur la cathode). On retrouve sur l’anode de T1 le signal d’entrée ug multiplié par le gain de T1.
Le signal uk présent sur les cathodes est amplifié et on le retrouve sur l’anode de T2 multiplié par le gain de T2.
1) Rappel des grandeurs caractéristiques d’un tube:
L’action des tensions plaque et grille, Up et Ug sur le courant plaque Ip conduit à caractériser la triode avec trois coefficients fondamentaux :
a) le coefficient d’amplification K.
b) la pente S
c) la résistance interne ρ.
Le coefficient d’amplification exprime le rapport entre une variation de tension plaque ΔUp et la variation de tension grille ΔUg qui provoquent la même variation de courant plaque Ip. C’est en fait le rapport entre les efficacités de la plaque et de la grille sur le courant plaque.
On peut représenter cela avec deux courbes qui comportent toutes les deux le courant Ip comme variable dépendante en ordonnée (figure 2).
A gauche nous obtenons la courbe d’entrée Ip fonction de Ug, pour différentes valeurs de Up (1) et à droite Ip fonction de Up pour différentes valeurs de Ug.
L’inclinaison des courbes de gauche est la pente S = ΔIp/ΔUg et l’inclinaison des courbes de droite est l’inverse de la résistance interne 1/ρ = ΔIp/ΔUp.
Note 1 : On dit avec Up en paramètre.

Figure 2
2) L’équation de la triode, la relation de Vallaury :
Prenons un tube triode avec au moins deux des trois paramètres K, S et ρ connus.
Fixons la tension plaque à Upo.
Traçons la courbe IpUg pour cette valeur de Upo (figure 3).
La portion linéaire est de la forme y = ax + b, et on a donc l’équation de grille :
Ip = SUg + Ipo (1)
(Ipo est l’ordonnée à l’origine de l’axe des abscisses).

Figure 3
Traçons la caractéristique IpUp pour Ug = 0 (figure 3).
On assimile également la caractéristique à une droite dont la pente est la tangente que fait l’angle β avec l’abscisse :
ΔIp Ipo - 0 Ipo 1
tg β = ─── = ───── = ─── = ──
ΔUp Upo – 0 Upo ρ
Ipo 1 Upo
─── = ─── donc Ipo = ───
Upo ρ ρ
Remplaçons Ipo par sa valeur dans l’équation de grille :
Upo
Ip = SUg + ───
ρ
En multipliant tous les termes par ρ, on obtient, en appliquant la relation de Barkhausen : K = ρ . S
ρIp = KUg + Upo (2)
En raisonnant avec les valeurs alternatives instantanées, on obtient l’équation fondamentale de la triode :
ρip = Kug + up (3)
3) Calcul du gain d’un amplificateur monté en cathode commune (KC):
En présence de signal, la tension grille est égale à la polarisation continue à laquelle s’ajoute le signal alternatif, soit :
UgT = Ugo + Ug sin ωt
En insérant ce signal dans l’équation de la triode on obtient :
ρ IpT = K (Ugo + Ug sin ωt) + (Up – Rp IpT )
Le courant plaque IpT provoque une chute de tension dans la résistance de charge Rp qui vient se déduire de la tension plaque Up.
Développons :
ρ IpT + Rp IpT = K Ugo + Up + K Ug sin ωt
IpT (ρ + Rp) = K Ugo + Up + K Ug sin ωt
K Ugo + Up K Ug sin ωt
IpT = ──────── + ───────
(ρ + Rp) (ρ + Rp)
composante composante
continue alternative
Le courant plaque comporte également deux composantes : la composante continue et la composante alternative.
K ug
La composante alternative est le courant instantané ip = ─────
ρ + Rp
Reprenons l’équation (3) de la triode en alternatif :
ρ ip = K ug + up
S’il y a une résistance de cathode non découplée Rk, comme dans notre amplificateur, la tension entre grille et cathode devient :
ug = ve – Rk ip
Voir la figure 4 ci-dessous

Figure 4
Entre le + HT et le – HT, le potentiel alternatif est évidemment nul, ce qui donne l’équation suivante :
Rp ip + up + Rk ip = 0
up = - ip ( Rp + Rk)
Remplaçons ug et up par leur valeur dans l’équation de la triode :
ρ ip = K (ve – Rk ip) - ip (Rp + Rk)
ρ ip + ip Rp + K Rk ip + ip Rk = K ve
ip (ρ + Rp + K Rk + Rk) = K ve
K ve
ip = ──────────── (4)
ρ + Rp + Rk (K +1)
Le signal alternatif de sortie vs se trouve sur la résistance de plaque : vs = - Rp ip
Remplaçons ip par sa valeur :
K Rp ve
vs = - ────────────
ρ + Rp + Rk (K +1)
et le gain d’amplification en cathode commune avec Rk non découplée est :
vs K Rp
G KC= ── = - ──────────── (5)
ve ρ + Rp + Rk (K +1)
Pour une pentode, on sait que ρ et K sont très grands.
Au dénominateur de la formule (5), Rp est négligeable devant ρ et K est >> 1. On peut donc écrire :
K Rp
G KC= - ────────────
ρ + K Rk
Remplaçons K par (ρ . S), puis divisons numérateur et dénominateur par ρ.
ρ S Rp
G KC= - ────────────
ρ + K Rk
S Rp
G KC pentode ≈ - ─────── (6)
1 + S Rk
4) Calcul du gain d’un amplificateur monté en grille commune (GC):
La tension d’entrée est ve, mais la tension sur la grille est ug = ve – Rk ip et le gain est up / ve, avec up = - Rp ip
Le courant s’obtient avec le schéma équivalent de la figure 5.
On a deux signaux en phase : le signal de la source d’entrée ve en série avec le signal amplifié par le tube K ug, avec chacun leur résistance interne, Rk et ρ, respectivement.
Voir la figure 5 ci-dessous

Figure 5
La loi d’Ohm donne :
ve + K ug = ip (Rk + ρ + Rp)
Remplaçons ug par sa valeur :
ve + K (ve – Rk ip) = ip (Rk + ρ + Rp)
ve (1 + K) = ip (K Rk +Rk + ρ + Rp)
D’où:
ve (1 + K) ve (1 + K)
ip = ─────────── = ───────────
K Rk +Rk + ρ + Rp Rk ( K + 1)+ ρ + Rp
ve (1 + K) Rp
up = Rp ip = ───────────────
Rk ( K + 1)+ ρ + Rp
up (1 + K) Rp
Et le gain est G GC = ── = ─────────────
ve Rk ( K + 1)+ ρ + Rp
Comme K>>1, simplifions et divisons par ρ.
Rp/ρ est petit et on peut le négliger.
S Rp
G GC pentode ≈ ─────── (7)
1 + S Rk
6) Bilan :
Comme on peut le constater, au signe près, les gains en KC et GC sont pratiquement équivalents.
Pour avoir une amplitude égale sur les anodes, on doit avoir sur les cathodes un signal uk qui doit être égal à ug.
Soit :
ug = uk
donc :
ve = 2 uk
avec : uk = ip Rk
Reprenons l’expression (4) du courant en KC pour calculer ve, en considérant que (K + 1) ≈ K,
on obtient :
ρ +Rp
ve = ip ──── + ip Rk = 2 ip Rk
K
Simplifions :
ρ +Rp
──── + Rk = 2 Rk
K
Ce qui donne :
ρ +Rp
Rk = ──── (8)
K
7) Détermination pratique de la valeur de Rk :
Le lexique officiel des lampes donne pour la 6V6 en push-pull :
Rp = 10 kΩ
ρ = 52 kΩ
K = 200
Ia = 70 mA
Vg = -15V
R polar = 0,2 kΩ
En mettant les valeurs de Rp, ρ et Rk de la 6V6 dans la formule (8),
On obtient :
Rk = 62/200 = 0,31 kΩ
Il faut 0,2 kΩ pour la polarisation, donc la résistance d’équilibrage sera égale 0,1 kΩ pour faire un total de ≈ 0,3 kΩ.
8) Réalisation pratique du schéma de la figure 6:
Afin de vérifier la fonctionnalité réelle du montage, nous l’avons réalisé sur un morceau de châssis de récupération.
Description : Le signal d’entrée, préalablement amplifié par la triode 6F5, attaque ensuite, à travers un condensateur de 220 nF la grille de commande de la première 6V6 configurée en amplificateur cathode commune. La chute de tension dans les deux résistances de cathode assure la polarisation de la triode.

Figure 6
La 680 Ω reçoit en contre-réaction une fraction de signal prélevée au secondaire du transformateur de sortie.
La deuxième 6V6 est montée en grille commune. Pour ce faire, la grille de commande est mise à la masse en alternatif par C2. Le signal présent sur les cathodes est amplifié par T2, en opposition de phase par rapport à T1. Ce dernier présente au primaire une impédance de 10 kΩ avec une charge de 4 Ω au secondaire.
Alimenté sous 320 V, l’amplificateur délivre approximativement une puissance efficace maximale, sans écrêtage, de 9 W sur 4 Ω.
L’application de la haute tension est différée de 1 mn environ, grâce à l’insertion d’un relais temporisé dans le retour de l’alimentation.
Enfin, les principales tensions continues relevées sur la maquette pourvue de tubes d’occasion, sont indiquées sur le schéma.
Nous donnons ci-dessous les principales caractéristiques de l’amplificateur :
- Impédance d’entrée 1 MΩ
- Impédance de sortie 4 Ω
- Entrée 775 mV efficace pour la puissance de sortie maximale.
- Puissance de sortie maximale 10 W efficaces.
- Taux de contre réaction ≈ 0,09.
- Bande passante à -3 dB = 50 Hz à 80 KHz.
- Alimentation 320 V continue, consommation 100 mA.
Les figures 7 et 8 représentent l’appareil terminé.

Figure 7

Figure 8
Copyright TLR 2018 - Toute reproduction interdite sans autorisation de l'auteur.
Date de dernière mise à jour : 19/10/2021
Commentaires
-
- 1. Duhar Le 19/10/2021
Bonjour,
J'ai lu votre article avec grand intérêt, ainsi que le montage qui a été réalisé. Je note une erreur qui s'est glissée dans la figure 6. La diode D2 qui sert de roue libre pour le relais RL, est dessinée à l'envers. Sur le schéma électrique, le relais est court-circuité par cette dernière, car elle est rendue conductrice en permanence.
Très cordialement.
Mr Duhar Patrick.-
- maignan-danielLe 19/10/2021
Bonjour cher Monsieur, Merci pour votre intérêt. Effectivement cette erreur m'avait déjà été signalée, mais n'a pas été corrigée sur le site, ce qui est fait. Cela m'a permis de resaisir toutes les équations corrompues pour une raison que j'ignore. Cordialement Daniel
Ajouter un commentaire





ème visiteur